| 配套电机: | 11-30KW |
| 最大流量: | 140L/m |
| 连接方式: | 钟型罩,皮带轮 |
| 可选配件: | 蓄能器,双安全阀 |
| 连续运行: | 24小时运行可选低转速 |
| 安装底板 | 整体底座固定 |
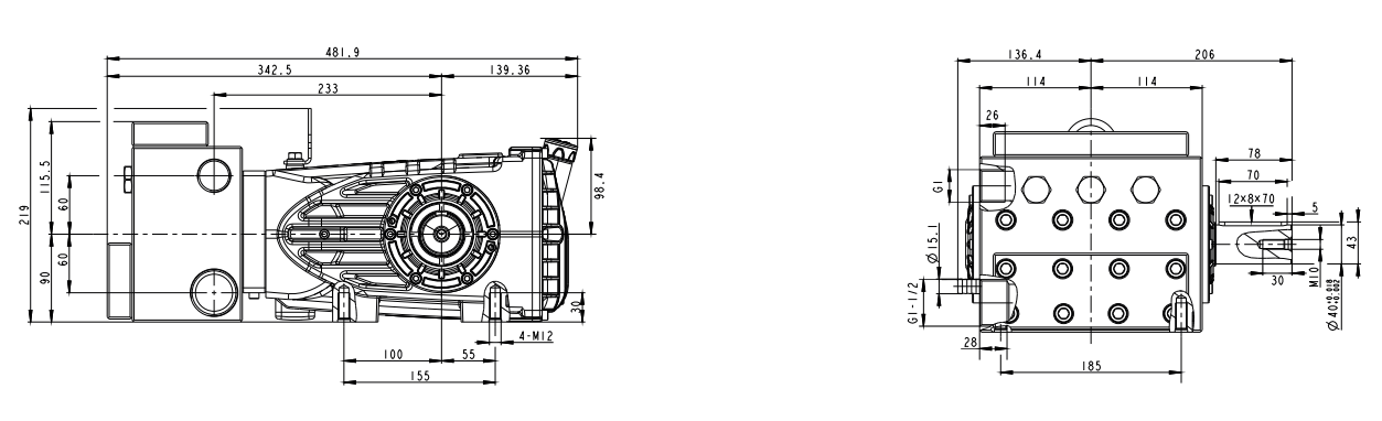
型号: DBR-3626
| 高压泵型号: | DBR-3626 |
| 额定流量: | 79-115L/m |
| 额定转速: | 1000-1450Rpm |
| 最高压力: | 12MPa |
| 配套动力: | 27KW |
型号: DBR-4026
| 高压泵型号: | DBR-4026 |
| 额定流量: | 98-142L/m |
| 额定转速: | 1000-1450Rpm |
| 最高压力: | 10MPa |
| 配套动力: | 27KW |

泵头
黄铜锻造,304及双相钢
曲轴箱
精密压铸铝合金
曲轴
合金钢锻造、热处理
连接杆
分体式铝合金连杆
柱塞
喷瓷/陶瓷柱塞
密封组件
高低压双水封
高压清洗
雾气弥漫
热水应用
高压冷却剂
水处理
水射流切割