DBH 系列工业柱塞泵提供多种连接方式,以适应不同的动力驱动需求。高强度精密压铸铝合金曲轴箱经过阳极氧化处理,可有效提升结构强度并增强抗腐蚀性能。
泵头材料可根据应用工况选择 球墨铸铁、420 不锈钢或 DSS2205 双相不锈钢。高性能陶瓷柱塞具有优异的高硬度、耐磨性、耐高温性及耐腐蚀性能,能够满足严苛工业环境下的长期运行需求
系统采用高低压双密封结构并结合进出口止回阀设计,可实现稳定可靠的液压性能。泵头支持多种附件连接方式,整体产品在 130–170 L/min 流量范围和 10–14 MPa 压力范围内保持稳定运行,适用于多种工业高压应用场景。
| 泵头: | 球墨铸铁、420 不锈钢或 DSS2205(可选) |
| 曲轴箱: | 压铸铝,阳极氧化 |
| 连接杆: | 锻造钢,用衬套加固 |
| 柱塞: | 高精度、耐磨陶瓷管 |
| 密封组件: | 高低压双密封结构 |
| 检查阀: | 体积效率高,球形细长区域 |
| 曲轴: | 锻造钢、热处理、多工艺研磨 |
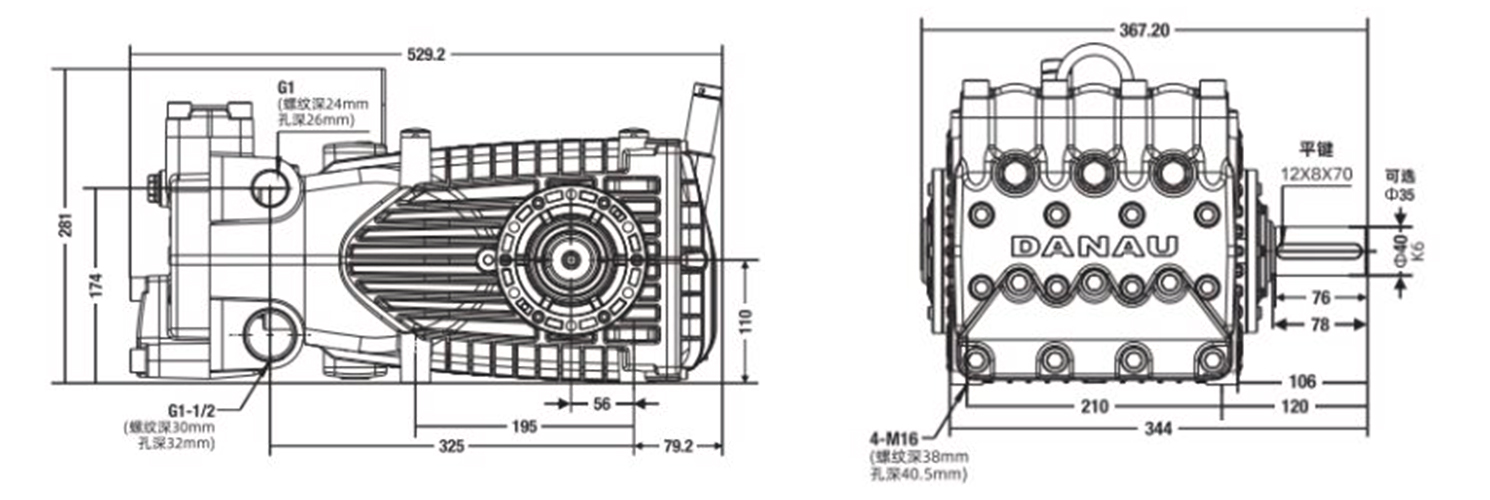
| 入口端口: | G1-/2" |
| 出口端口: | G1” |
| 油浴容量: | 3800毫升(油窗半液位) |
| 润滑油类型: | 85W/90 或更高齿轮油 |
| 进水口压力: | 0-0.35Mpa |
| 最大进水温度: | ≤50°C |
| 运输尺寸: | 59x41.5x36cm |
型号:DBH-3650
| 最大流量(L/min) | 137 | |
| 最大压力(MPa) | 13.7 | |
| 功率(kW) | 37 | |
| 输入速度(rpm) | 900 | |
| 排量(ml/rev) | 152 | |
| 重量(kg) | 72 | |
型号: DBH-4050
| 最大流量(L/min) | 169 | |
| 最大压力(MPa) | 11.8 | |
| 功率(kW) | 37 | |
| 输入速度(rpm) | 900 | |
| 排量(ml/rev) | 187 | |
| 重量(kg) | 72 | |

道路清洁
水处理
非接触式洗车
下水道喷射
工业应用