DBG 系列工业柱塞泵提供多种连接方式,以适应不同动力驱动需求。高强度精密压铸铝合金曲轴箱经过阳极氧化处理,可有效提升结构强度并增强抗腐蚀性能。
泵头材料可根据应用工况选择 420 不锈钢、双相不锈钢(DSS2205)或镀镍处理材质。可选配高性能陶瓷柱塞,具有优异的高硬度、耐磨性、耐高温性和耐腐蚀性能。
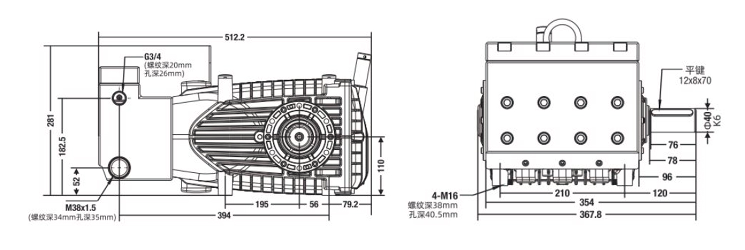
系统采用高低压双密封结构并结合进出口止回阀设计,可确保稳定高效的液压性能。泵头支持多种附件连接形式,整体产品在 27–95 L/min 流量范围和 20–80 MPa 压力范围内保持稳定运行,适用于高压工业工况。
| 泵头: | 420 不锈钢或 DSS2205 双相不锈钢(可选) |
| 曲轴箱: | 压铸铝合金,阳极氧化 |
| 连接杆: | 锻造钢,用衬套加固 |
| 柱塞: | 高精度、耐磨陶瓷管 |
| 密封组件: | 高低压双密封结构 |
| 检查阀: | 高容积效率,球面密封结构 |
| 曲轴: | 锻造钢合金,热处理,多工序磨削 |
| 入口端口: | M38x1.5(DBG1650-G314”)(DBG1850-617) |
| 出口端口: | G314”(DBG1650-612”) |
| 油浴容量: | 3800毫升(油窗半液位) |
| 润滑油类型: | 85W/90 或更高齿轮油 |
| 进水压力: | 0-0.35Mpa |
| 最大入口水温度. | ≤50°C |
| 运输尺寸: | 59×41.5x36cm |
型号: DBG-1650
| 最大流量(L/min) | 27 | |
| 最大压力(MPa) | 80 | |
| 功率(kW) | 40 | |
| 输入速度(rpm) | 900 | |
| 排量(ml/rev) | 30 | |
| 重量(kg) | 72 | |
型号: DBG-1850
| 最大流量(L/min) | 34.3 | |
| 最大压力(MPa) | 60 | |
| 功率(kW) | 40 | |
| 输入速度(rpm) | 900 | |
| 排量(ml/rev) | 38.1 | |
| 重量(kg) | 72 | |
型号: DBG-2250
| 最大流量(L/min) | 51.3 | |
| 最大压力(MPa) | 42 | |
| 功率(kW) | 40 | |
| 输入速度(rpm) | 900 | |
| 排量(ml/rev) | 57 | |
| 重量(kg) | 72 | |
型号: DBG-2550
| 最大流量(L/min) | 66.2 | |
| 最大压力(MPa) | 32 | |
| 功率(kW) | 40 | |
| 输入速度(rpm) | 900 | |
| 排量(ml/rev) | 73.5 | |
| 重量(kg) | 72 | |
型号: DBG-2850
| 最大流量(L/min) | 83 | |
| 最大压力(MPa) | 26 | |
| 功率(kW) | 40 | |
| 输入速度(rpm) | 900 | |
| 排量(ml/rev) | 92.2 | |
| 重量(kg) | 72 | |
型号: DBG-3050
| 最大流量(L/min) | 95.4 | |
| 最大压力(MPa) | 23 | |
| 功率(kW) | 40 | |
| 输入速度(rpm) | 900 | |
| 排量(ml/rev) | 106 | |
| 重量(kg) | 72 | |

石油和天然气
热水应用
船舶清洁
化学工业
食物和饮料