DBT 系列工业柱塞泵采用五柱塞往复式结构与曲轴驱动系统相结合的设计,是一类高性能正排量工业柱塞泵。五个柱塞的协调往复运动能够实现高效的液体吸入与排出过程,从而提供稳定的大流量输出、可调节压力以及处理复杂介质的能力。
该系列设备适用于工业清洗、矿浆输送、大型农业灌溉等高压工业应用场景。
曲轴箱采用高强度球墨铸铁精密铸造结构,曲轴采用高强度合金钢锻造并经过热处理加工,确保设备在重载工况下具备优异的结构强度和可靠性。泵头材料可选 420 不锈钢、球墨铸铁或 DSS2205 双相不锈钢。
系统采用高性能陶瓷柱塞,具有优异的硬度、耐磨性、耐高温性和耐腐蚀性能。配合高低压双密封结构以及进出口止回阀设计,可确保液压端在高压力条件下保持稳定高效运行。
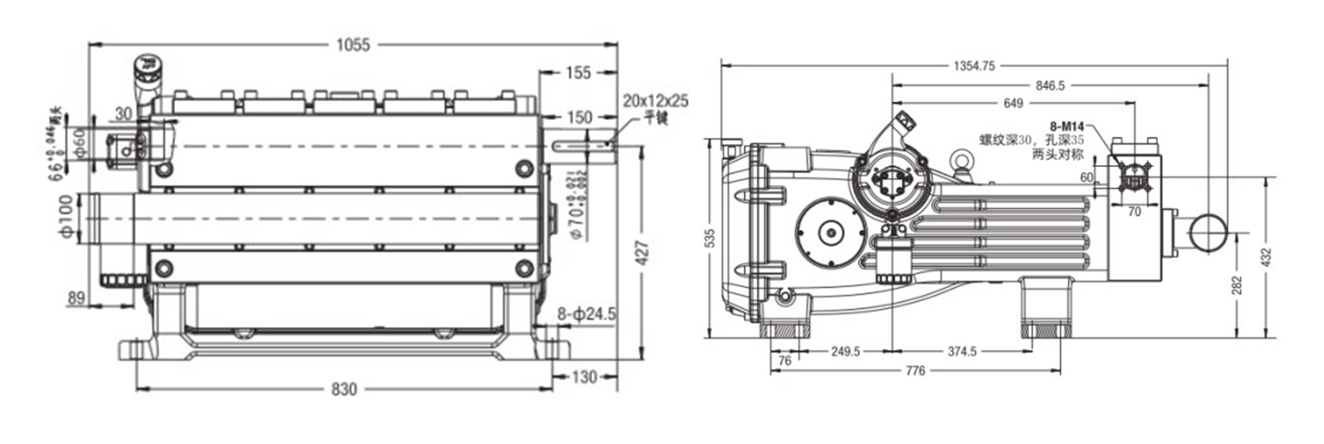
泵头可连接多种附件,该系列产品能够提供 800–1100 L/min 的稳定流量范围,工作压力范围为 0–12 MPa,适用于超大流量工业输送系统。
| 泵头: | 420 不锈钢、球墨铸铁或 DSS2205 双相不锈钢(可选) |
| 曲轴箱: | 球墨铸铁结构,表面涂层防腐处理 |
| 润滑: | 稀油强制润滑系统 |
| 连接杆: | 锻造钢,用衬套加固 |
| 柱塞: | 高精度、耐磨陶瓷管 |
| 密封组件: | 高低压双密封结构 |
| 止回阀 | 高容积效率球面密封结构 |
| 曲轴: | 合金钢加工成型,热处理,多工序精密磨削 |
| 进水端口: | 软管倒钩 Ø68 mm |
| 出水端口: | G1-1/4” |
| 油浴容量: | 70 L(油窗半液位) |
| 润滑油类型: | 85W/90 或更高齿轮油 |
| 进水压力: | 0-0.35Mpa |
| 最大进水温度: | ≤50°C |
| 齿轮减速: | 一体式双斜齿轮减速机构 |
| 运输尺寸: | 140x110×70cm |
型号:DBT-9075
| 最大流量(L/min) | 1073 | |
| 最大压力(MPa) | 12 | |
| 功率(kW) | 250 | |
| 输入速度(rpm) | 1450 | |
| 排量(ml/rev) | 740 | |
| 重量(kg) | 1200 | |
