DBU 系列工业柱塞泵提供多种连接方式,以适应不同动力驱动需求。曲轴箱采用高强度合金球墨铸铁精密铸造,确保结构强度与长期运行的可靠性。曲轴由高强度合金钢锻造并经过热处理与精密加工,可满足重载工况下的持续运行需求。
泵头材料可根据应用工况选择 不锈钢、双相不锈钢(DSS2205)或镀镍处理材质。系统采用高性能陶瓷柱塞,具有优异的高硬度、耐磨性、耐高温性和耐腐蚀性能。
该系列采用高低压双密封结构并配合进出口止回阀设计,保证稳定高效的液压性能。泵头支持多种附件连接方式,整体产品在 120–230 L/min 流量范围和 10–23 MPa 压力范围内稳定运行,适用于重载工业高压应用。
| 泵头: | 球墨铸铁或 DSS2205 双相不锈钢(可选) |
| 曲轴箱: | 球墨铸铁,电泳黑化处理 |
| 连接杆: | 锻造钢,用衬套加固 |
| 柱塞: | 高精度、耐磨陶瓷管 |
| 密封组件: | 高低压双密封结构 |
| 检查阀: | 高容积效率,球面密封结构 |
| 曲轴: | 锻造钢合金,热处理,多工序研磨 |
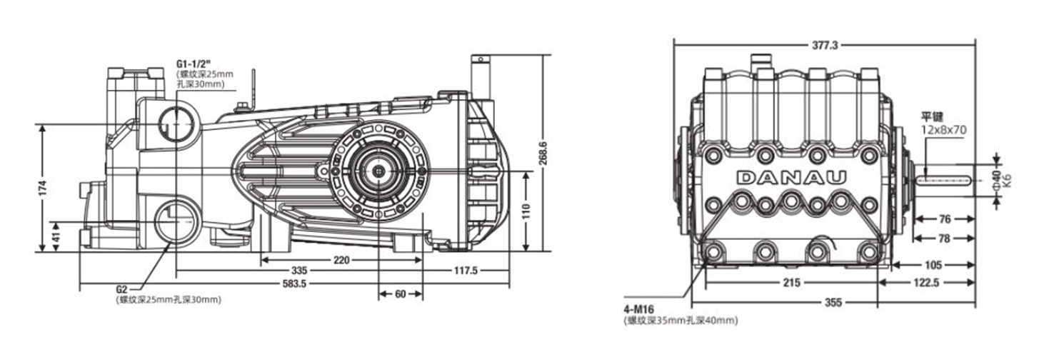
| 入口端口: | G2” |
| 出口端口: | G1-1/2" |
| 油浴容量: | 4500毫升(油窗半液位) |
| 润滑油类型: | 85W/90 或更高齿轮油 |
| 进水压力: | 0-0.35Mpa |
| 最大进水温度: | ≤50°C |
| 运输尺寸: | 59x41.5x36cm |
型号:DBU-3050
| 最大流量(L/min) | 127 | |
| 最大压力(MPa) | 23 | |
| 功率(kW) | 55 | |
| 输入速度(rpm) | 1200 | |
| 排量(ml/rev) | 105.8 | |
| 重量(kg) | 85 | |
型号: DBU-3250
| 最大流量(L/min) | 144 | |
| 最大压力(MPa) | 19 | |
| 功率(kW) | 55 | |
| 输入速度(rpm) | 1200 | |
| 排量(ml/rev) | 120.0 | |
| 重量(kg) | 85 | |
型号: DBU-3650
| 最大流量(L/min) | 183 | |
| 最大压力(MPa) | 16 | |
| 功率(kW) | 55 | |
| 输入速度(rpm) | 1200 | |
| 排量(ml/rev) | 152.5 | |
| 重量(kg) | 85 | |
型号: DBU-4050
| 最大流量(L/min) | 226 | |
| 最大压力(MPa) | 13 | |
| 功率(kW) | 55 | |
| 输入速度(rpm) | 1200 | |
| 排量(ml/rev) | 188.3 | |
| 重量(kg) | 85 | |

煤炭和采矿
下水道喷射
非接触式洗车
石油和天然气
消防飞行