DBF 系列工业柱塞泵提供多种连接方式,以适应不同的动力驱动需求。高强度精密压铸铝合金曲轴箱配合阳极氧化处理,可有效提升结构强度并增强耐腐蚀性能。
泵头材料可根据工况选择 锻造黄铜、不锈钢、双相不锈钢或镀镍处理材质。柱塞结构可选 陶瓷涂层柱塞或整体陶瓷柱塞,以提高耐磨性和使用寿命。
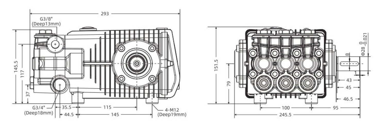
系统采用高低压双密封结构并配合进出口止回阀设计,可实现稳定可靠的液压性能。泵头支持多种附件连接形式,整体产品在 16–64 L/min 流量范围和 10–50 MPa 压力范围内保持稳定运行,适用于多种工业高压应用场景。
| 泵头: | 黄铜锻造、球墨铸铁和 DS52205 (可选) |
| 曲轴箱: | 压铸铝合金,阳极氧化 |
| 连接杆: | 分体式铝合金 |
| 柱塞: | 高精度、耐磨陶瓷管 |
| 密封组件: | 高低压双密封结构 |
| 检查阀: | 高容积效率,球面密封结构 |
| 曲轴: | 锻造钢合金,热处理,多工序磨削 |
| 入口端口: | G3/4”,G1"(DBF2824) |
| 出口端口: | G3/8”,G1/2"(DBF2824) |
| 油浴容量: | 1050毫升(油窗半液位) |
| 润滑油类型: | 85W/90 或更高齿轮油 |
| 进水压力: | 0-0.35Mpa |
| 最大进水温度: | ≤50℃ |
| 运输尺寸: | 38.5x33.5x31千米 |
型号:DBF-1521
| 最大流量(L/min) | 16、4.22 | |
| 最大压力(MPa) | 47, 6800 | |
| 功率(kW) | 15 | |
| 输入速度(rpm) | 1450 | |
| 排量(ml/rev) | 11.0 | |
| 重量(kg) | 14 | |
型号:DBF-1821
| 最大流量(L/min) | 23.3 | |
| 最大压力(MPa) | 48 | |
| 功率(kW) | 22 | |
| 输入速度(rpm) | 1450 | |
| 排量(ml/rev) | 16.1 | |
| 重量(kg) | 14 | |
型号:DBF-2221
| 最大流量(L/min) | 34.7 | |
| 最大压力(MPa) | 24 | |
| 功率(kW) | 18.5 | |
| 输入速度(rpm) | 1450 | |
| 排量(ml/rev) | 23.9 | |
| 重量(kg) | 14 | |
型号:DBF-2224
| 最大流量(L/min) | 39 | |
| 最大压力(MPa) | 23 | |
| 功率(kW) | 18.5 | |
| 输入速度(rpm) | 1450 | |
| 排量(ml/rev) | 27.3 | |
| 重量(kg) | 14 | |
型号:DBF-2524
| 最大流量(L/min) | 50 | |
| 最大压力(MPa) | 18 | |
| 功率(kW) | 18.5 | |
| 输入速度(rpm) | 1450 | |
| 排量(ml/rev) | 35.3 | |
| 重量(kg) | 14 | |
型号:DBF-2821
| 最大流量(L/min) | 50 | |
| 最大压力(MPa) | 16 | |
| 功率(kW) | 18.5 | |
| 输入速度(rpm) | 1450 | |
| 排量(ml/rev) | 38.8 | |
| 重量(kg) | 14 | |
型号:DBF-2824
| 最大流量(L/min) | 64 | |
| 最大压力(MPa) | 15 | |
| 功率(kW) | 18.5 | |
| 输入速度(rpm) | 1450 | |
| 排量(ml/rev) | 44.3 | |
| 重量(kg) | 14 | |

高压清洗
雾气弥漫
热水应用
道路冲洗和清洁
水处理