DBW 系列立式曲轴柱塞泵是一种正排量往复式柱塞泵,通过曲轴旋转驱动柱塞往复运动,实现高压液体输送。该系列产品适用于工业清洗、矿浆输送、大型农业灌溉等高压应用场景。
该系列采用立式结构设计,能够有效节省设备安装空间,同时保持稳定的流量和压力输出,满足长时间连续运行的工业需求。
曲轴箱采用高强度球墨铸铁精密铸造,曲轴采用高强度合金钢锻造并经热处理加工,确保设备在高负荷工况下具备优异的结构强度与可靠性。泵头材料可选 420 不锈钢、球墨铸铁或 DSS2205 双相不锈钢。
系统配备高性能陶瓷柱塞,具有优异的硬度、耐磨性、耐高温性和耐腐蚀性能。通过高低压双密封结构与进出口止回阀组合设计,能够保证液压系统高效稳定运行。
泵头支持多种附件连接方式,整体系统可提供 52–860 L/min 的流量范围,工作压力范围为 10–200 MPa,适用于极高压力和大流量工业输送应用。
| 泵头: | 420 不锈钢、球墨铸铁或 DSS2205 双相不锈钢(可选) |
| 曲轴箱: | 球墨铸铁,电泳黑化处理 |
| 连接杆: | 锻造钢,用衬套加固 |
| 柱塞: | 高精度、耐磨陶瓷管 |
| 密封组件: | 高低双压力密封组件 |
| 止回阀: | 高容积效率,球面密封结构 |
| 曲轴: | 锻造钢合金,热处理,多工序磨削 |
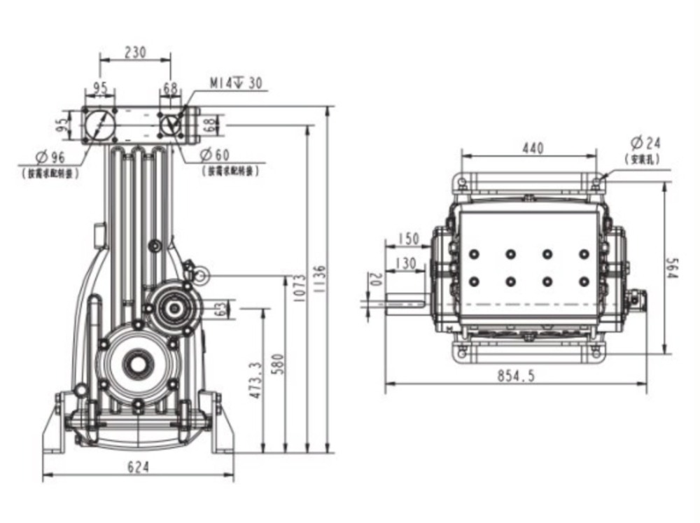
| 入口端口: | ID 96mm,法兰连接 |
| 出口端口: | ID 60mm,法兰连接 |
| 油浴容量: | 54L(油量表半位) |
| 润滑油类型: | 85W/90 或更高齿轮油 |
| 入口压力: | 0-0.35Mpa |
| 最大进水温度: | ≤50℃ |
| 齿轮减速比: | 1 : 2.3 |
| 装运尺寸: |
120x90x70cm |
型号:DBW-2075
| 最大流量(L/min) | 52 | |
| 最大压力(MPa) | 200 | |
| 功率(kW) | 180 | |
| 输入速度(rpm) | 1450 | |
| 排量(ml/rev) | 35.9 | |
| 重量(kg) | 600 | |
型号: DBW-9075
| 最大流量(L/min) | 858 | |
| 最大压力(MPa) | 10 | |
| 功率(kW) | 180 | |
| 输入速度(rpm) | 1450 | |
| 排量(ml/rev) | 591.7 | |
| 重量(kg) | 600 | |
